CA-IS3980S

f_ico02.svg

量产

8通道隔离式数字输入接收器

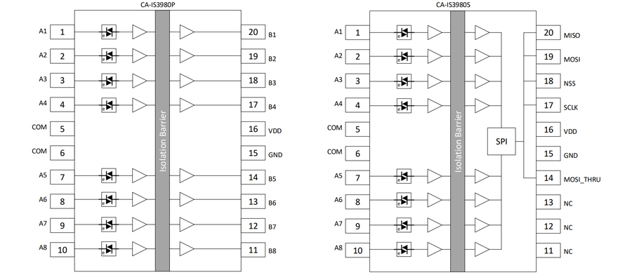
CA-IS398x 系列隔离型 8 通道数字输入器件优化用于工 业现场的24V数字输入,只需少数几个外围元件即可配 置用作Type 1、Type 2 或Type 3 工业传感器或现场开关 的输入单元,每个通道即可配置为拉电流(source)输入, 也可配置为灌电流(sink)输入。隔离通道采用今年会电 子先进的电容隔离技术,提供高达2.5kVRMS的电气隔离 以及±300kV/μs 的典型 CMTI (低速通道),具有较高的电 磁辐射抑制和低传输延时、低抖动等优势。
CA-IS398x 只需在逻辑侧提供 2.25V 至 5.5V 的单电源供 电,无需现场侧供电电源。逻辑输出电平取决于电源电 压,可方便连接2.5V、3.3V 或5V 供电的控制器接口。 CA-IS3980S 作为串行输出的工业接口器件能够将 8 路 24V 数字输入转化成 CMOS 兼容的逻辑信号,通过 SPI 接口连接到微处理器;CA-IS398xP 系列产品则将 8 路 24V 数字输入转换成CMOS兼容的并行输出,详见下方 的 CA-IS398x 简化框图。该系列的所有器件提供数字隔 离输出,所有输入通道支持灌电流、拉电流配置,可方 便连接工业、楼宇、过程控制等工业应用现场的传感器 或开关。为确保工业环境下系统的可靠性,并行输出的 CA-IS398x 器件在每个通道集成了固定延时的去抖滤波 器;串行输出的CA-IS3980S则允许用户调节其内部去抖 滤波器的延迟时间,以满足不同应用场景的要求。对于 需要连接 8 个以上传感器的应用,可以使用多片 CA IS3980S 构成菊链架构,CA-IS3980S 菊链电路在同一 SPI 接口上最多可支持128路输入。  
CA-IS398x 系列产品工作在-40°C 至+125°C 温度范围,采 用20引脚SSOP封装。不同的器件尾缀对应于不同的输 出接口和滤波器延时配置,请参考订购信息。

PACKAGE:SSOP20(Y).png
  • 特性

    支持工业标准数字输入

    兼容IEC 61131-2 Type 1、Type2、Type3 输入

    高度集成

    8 路输入通道,串行输出(CA-IS3980S)
    8 路输入通道,并行输出 (CA-IS398xP)

    速率可达2Mbps

    集成数字滤波器,0 -100ms滤波器延时可选

    较高的瞬态抑制:

    低速通道:±300kV/µs CMTI
    高速通道:±50kV/µs CMTI

    集成2500VRMS 内部隔离器,缩减BOM和尺寸

    SPI兼容串行接口(CA-IS3980S)

    2.25V至5.5V单电源供电,无需现场侧供电

    -40°C至125°C工作温度范围

    8.66mm x 3.91mm 20引脚SSOP封装

  • 应用

    • PLC数字输入模块

    • 工业自动化

    • 楼宇自动化

    • 电机控制

    • CNC控制

    • 工业现场数据采集

  • 器件信息

    器件型号 封装 封装尺寸(标称值)
    CA-IS3980
    CA-IS3988
    SSOP20(Y)8.66mm x 3.91mm
  • 简化通道结构图

    未标题-1.07.jpg