CA-IF1169VFDT-Q1

f_ico02.svg

量产

集成 LDO 和 Watchdog 的高速 CAN 系统基础芯片

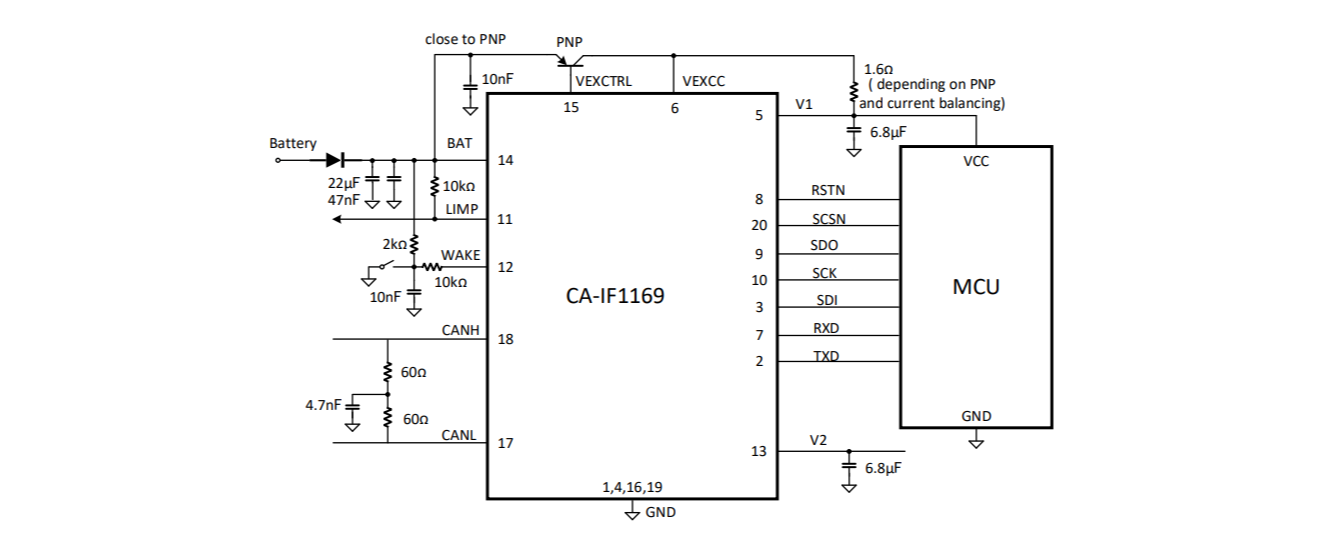
CA-IF1169 为集成高速 CAN 收发器和两路 LDO 的系 统基础芯片。CAN 收发器符合 ISO 11898-2:2016 和 SAE J2284-1 到 SAE J2284-5 规定的高速 CAN(控制器局域网 络)物理层标准,可支持 5Mbit/s 的 CAN FD 通信。内 置两路 LDO,一路具有 3.3V 或 5V 输出电压,250mA 电 流的 LDO(V1),该电源可以通过外部 PNP 晶体管进行 电流扩展,提高输出电流能力,给系统的微控制器或其 他负载供电;另一路具有 5V 输出电压,100mA 电流的LDO(V2),给 CAN 收发器和其他在板负载供电。 CA-IF1169 产品具有低功耗的待机和休眠模式,通 过 ISO 11898-2:2016 定义的 CAN 唤醒序列进行远程唤醒 (WUP)或者选择性唤醒帧(WUF)进行远程唤醒; 通过 WAKE 管脚进行本地唤醒。产品家族支持同 3.3V到 5V 的微控制器直接通信,SPI 接口用于收发器控制 和读取状态信息。

CA-IF1169 产品设计遵循功能安全完整的开发流程,集成模拟电路 ABIST、关键接口电平的监测功能,以及专用LIMP 输出管脚指示系统故障,可引导系统进入跛行模式等功能安全相关功能。符合 ISO26262 规定的 ASIL-B 标准、支 持客户产品获得 ASIL-B 认证。 

PACKAGE:DFN20(DT).png
  • 特性

    符合 ISO 11898-2:2016 和 SAE J2284-1 到 SAE J2284- 5 标准

    产品设计遵循功能安全完整的开发流程,符合 ASIL-B 标准、支持客户产品获得 ASIL-B 认证

    支持 5Mbit/s 的 CAN FD 数据传输

    支持选择性唤醒 CAN 局域网络中的部分节点

    支持±42V 的总线短路保护,适用于 12V 电池供电 系统

    具有自主的总线偏置

    内置两路 LDO,分别是

    3.3V 或 5V 输出电压,250mA 电流的 LDO(V1),该电源可以通过外部 PNP 晶体管进行电流扩展,提高输出电流能力,给系统的微控制器或其他负载供电
    5V 输出电压,100mA 电流的 LDO(V2),给CAN 收发器和其他在板负载供电

    高级 ECU 电源管理系统

    休眠模式下超低功耗,典型值为 12.8uA
    通过 ISO 11898-2:2016 定义的 CAN 唤醒序列进行远程唤醒(WUP)或者选择性唤醒帧(WUF)进行远程唤醒
    选择性唤醒支持 50 kbit/s, 100 kbit/s, 125 kbit/s, 250 kbit/s, 500 kbit/s 和 1 Mbit/s 速率
    通过 WAKE 管脚进行本地唤醒
    本地唤醒可以被关闭以降低功耗
    支持唤醒源识别

    保护和诊断特性

    16-,24-或者 32-bit SPI 用于配置,控制和诊断
    驱动器显性超时保护及诊断
    可配的看门狗定时器
    在看门狗定时器超时模式下,循环唤醒
    过温报警和关断
    BAT 管脚欠压保护和恢复
    冷启动诊断(通过 PO 和 NMS 位)
    V1 和 V2 过压/欠压检测和保护
    供电管脚、WAKE 管脚和 CAN 总线管脚可以承受 ISO 7637-3 中定义的脉冲 1,2a,3a 和 3b
    先进的系统和收发器中断处理
    集成模拟电路 ABIST、关键接口电平的 stuck 监 测功能
    专用 LIMP 输出管脚指示系统故障,可引导系统进入跛行模式
    具有多次在线调试的配置能力;两次烧写能力的非易失性存储器。针对不同应用,可以配置不同的上电和复位行为,以及系统基础芯片工作模式的配置

    结温范围

    -40°C 至 150°C

    符合面向汽车应用的 AEC-Q100 Grade 1 标准

    可提供 DFN20 封装(wettable flank)

  • 应用

    • 车身电子

    • 车载照明系统

    • 智能辅助驾驶系统

    • 新能源汽车热管理系统

    • 车载传感器

    • 车载娱乐系统

    • 汽车动力系统

  • 简化通道结构图

    1169框图.png